المراسي

مرساة بشكل ذيل السنونو

Detaylı bilgi için iletişime geçiniz.

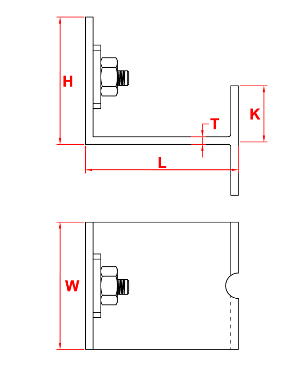
تُعد "مرساة بشكل ذيل السنونو" عنصر الربط الأعلى مقاومة للأحمال الزلزالية والمستخدم في تركيب الحجر الطبيعي والرخام. وبفضل شكل ذيل السنونو الذي يتوافق تماماً مع القنوات المفتوحة بزاوية 45 درجة على الوجه الخلفي للحجر، فإنها تقوم بتوزيع الحمل بشكل خطي وليس نقطياً. يقضي هذا الهيكل تماماً على خطر انفصال الحجر عن المرساة، كما يوفر أقصى درجات المقاومة ضد الصدمات وأحمال الرياح.